[기초회로이론] Chap 02 - Circuit Elements
[기초회로이론] Chap 02 - Circuit Elements
📣 Disclaimer : Dorf’s Introduction to Electric Circuits Global Ed. 를 바탕으로 작성된 정리입니다
2.2 Engineering Linear Models
- A linear element satisfies the properties of both superposition and homogeneity
- superposition : if $i_1 \rightarrow v_1$ / $i_2 \rightarrow v_2$, it is necessary that the exitation $i_1+i_2$ will provide $v_1+v_2$.
- homogeneity (Scalability) : $i\rightarrow v$, $ki\rightarrow kv$
- Linearity does not necessarily mean 1st order polynomial
2.3 Active and Passive Circuit Elements
- Passive element : consumes energy (absorbs)
- Active element : supplies energy
- Same convention of sign of when we considered before
2.4 Resistors
- Always passive element (can be active if and only if R<0 but it is impossible).
defined as constant resistance R, as Ohm’s Law, $v=Ri$, as we all know.
- Ohm’s law only applies at Ohmic substances
- Resistance (ratio of V over i) slightly increases on AC current because in higher frequency, electrons tend to move on the surface of the conductor which decreases effective area A
- siemens (S) : Ohm’s law can also be written as : $i=Gv$, where $G$ is conductance (or mhos, inverted $\Omega$ symbol but seldomly used.
- $G={1\over R}$
2.5 Independent Sources
voltage or current independent source is a generator not dependent on other circuit variables.
Independent voltage source. $i(t)$can be $-\infty$ to $+\infty$
Independent current source. $v(t)$ can be any value.
Every independent source is ideal, conceptual.
- Some batteries can be modeled as independent voltage source within certain conditions (small range of current)
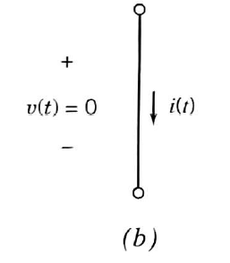
Short circuit(Closed) : Special case of ideal voltage source (no resistance)
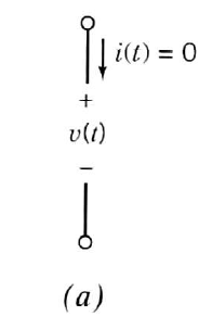
Open circuit : Special case of ideal current source ($v(t)$can be any value)
2.6 Voltmeters and Ammeters
- in case of ideal ammeter and voltmeter, it can be considered as ideal short / open circuit, respectively.
- Black (or dark) pole denotes the ‘minus’ polarity
2.7 Dependent Sources
Voltage or current of one circuit element is proportional to volt or current of second circuit element.
CCCS, VCVS, VCCS, CCVS
- for some three-terminal element can be dissected (or interpreted) with combination of two-terminal elements including dependent sources.
2.8 Resisitive Transducers
- transducers convert physical quantities to electrical quantities. (a.k.a. sensor)
2.9 Switches
This post is licensed under CC BY 4.0 by the author.
![[기초회로이론] Chap 02 - Circuit Elements](https://note.celenort.site/assets/img/2026-03-10-[기초회로이론]-Chap-02---Circuit-Elements/0-11fdcb75c7.png)





